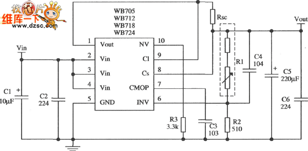
WB705构成的减流型保护电路的应用电路图
出处:fanxin_bme 发布于:2010-01-28 00:00:00 | 1325 次阅读
如图所示是用WB718多端可调正集成 组成的输出电压为l5 V、输出电流为2 A的减流型保护电路的应用电路。图示电路的输入电压可选择30~32 V,滤波电容和防振电容等均与限流型应用时相同。Rl和R2的选取由下式决定:
Rl取560Ω,上串电阻取l.2kΩ。限流电阻
,式中:Is为负载短路后的电流值,一般Is取1/3ILmax;Vbe、ILmax等均与限流型应用时相同。R3的计算符合下式:
。式中:Rl0是稳压器内部的基极电阻,其值一般为200~250Ω,故上式的计算结果
为近似值;其余各项均与限流型应用时相同。

版权与免责声明
凡本网注明“出处:维库电子市场网”的所有作品,版权均属于维库电子市场网,转载请必须注明维库电子市场网,//www.j71x6.cn,违反者本网将追究相关法律责任。
本网转载并注明自其它出处的作品,目的在于传递更多信息,并不代表本网赞同其观点或证实其内容的真实性,不承担此类作品侵权行为的直接责任及连带责任。其他媒体、网站或个人从本网转载时,必须保留本网注明的作品出处,并自负版权等法律责任。
如涉及作品内容、版权等问题,请在作品发表之日起一周内与本网联系,否则视为放弃相关权利。











