如下图所示为一款力矩电机式调节器电路。电路中的调速触发器采用单结晶体管触发电路,经三极管功率放大,能可靠地触发KS50A的双向晶闸管。
分类:晶闸管控制 时间:2014-03-18 阅读:3003
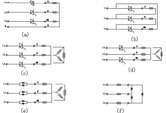
如下图所示为三相晶闸管交流调功器主电路六种联结型式电路。其中①带中线星形联结(1型电路) 图4a;②开三角联结(2型电路)图4b;③无中线星形联结(3型电路) 图4c;④三相...
分类:晶闸管控制 时间:2014-02-14 阅读:2162
如下图所示的是一款新颖的晶闸管调光灯电路,它不仅可以捌光,面凡每次开灯时,灯光可由暗到亮;关灯时,灯光则由亮到暗渐变。该电路采用220V交流市电(即交流电,懈称)经...
分类:晶闸管控制 时间:2013-12-16 阅读:1703
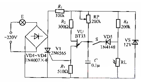
本文介绍的是一款具备稳光功能的晶管调光灯电路图。如下图所示,图中S为稳光开关,当S打开时,占是一个普通的单向晶闸管调光器,调节电位器RP,可随意调节灯泡E的亮度。当。...
分类:晶闸管控制 时间:2013-12-12 阅读:2359
本文所介绍的具有自动跟踪周围环境亮度的调光灯电路图,它是在普通双向晶俐管埘光器的基础E增加了一个光挖电路,利用双向晶闸管调光器,从而使它具有自动跟踪周围环境亮稳光...
分类:晶闸管控制 时间:2013-12-10 阅读:1753
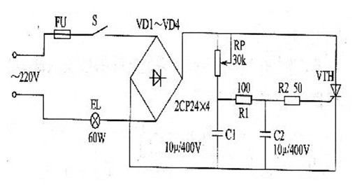
本文将介绍的是一款接法新颖的并具有稳光功能的晶闸管调光灯电路图。其中R、R.与RI,、RP接成两个分压器,其分压点分别接三极管VT1的发射极与基极。当环境光线较暗时,光敏...
分类:晶闸管控制 时间:2013-12-04 阅读:2084
双向晶闸管应用于单相电感性负载控制电路 如图为双向晶闸管应用于单相电感性负载控制电路。由于电感性负载在电源的通和断的瞬间会产生自感电动势,而且电压上升率较大...
分类:晶闸管控制 时间:2011-08-08 阅读:3536
用单结晶体管构成的晶闸管触发电路如图1 所示,触发电路的有关电压波形如图2 所示。与单结晶体管构成弛张振荡电路相比较,电路的振荡部分相同,同步是通过对电源电路的改进...
分类:晶闸管控制 时间:2011-02-06 阅读:5008
稳定的四晶体管定时器电路如下图所示,在集成电路定时器的应用中,有时会同到噪声脉冲干扰而使定时器产生伪定时周期。该电路平时所有晶体管都断开时,C被充电,直至Tr2导通...
分类:晶闸管控制 时间:2011-01-18 阅读:2893
可控整流电路的作用是把交流电变换为电压值可以调节的直流电。图20-1所示为单相半控桥式整流实验电路。主电路由负载RL(灯炮)和晶闸管T1组成,触发电路为单结晶体管T2及...
分类:晶闸管控制 时间:2010-07-22 阅读:12162
该电路供电电压为12~16V,可用于玩具火车等低压器具,采用S566B作为产生控制晶闸管导通的触发电路,直流电源由整流 稳压电路供给,R1为降压电阻,使稳压管上只有很低的电压...
分类:晶闸管控制 时间:2010-07-22 阅读:2441
早期的无刷直流电机根据容量不同,可分为晶体管驱动电机和晶闸管驱动电机两种。一般低压小容量的无换向器电机采用晶体管电机的方案;而容量较大的,通常都是晶闸管电机。由...
分类:晶闸管控制 时间:2010-06-26 阅读:5713
如图所示为采用双向晶闸管的延迟灯电路。电路延迟时间除与C1、C2、R4数值有关外,还与按键时间长短有关。VTH可用MAC94A4、MAC97A6型等双向晶闸管,VT1、VT2的β值均应大于2...
分类:晶闸管控制 时间:2010-05-03 阅读:4980
如图是一个最简单的双向晶闸管调光灯电路,双向晶闸管的特点是只要在其控制极上加上适当的触发脉冲或控制电流,无论在交流的正半周还是负半周,均可导通,导通时间与所加的...
分类:晶闸管控制 时间:2010-04-26 阅读:7493
如图是一个利用阻容元件构成触发电路的单向晶闸管调光灯电路,220V交流电经VD1~VD4桥式整流变成直流脉动电压,加到晶闸管VT的阳极与阴极之间。 RP、R与C2组成触发电路,直...
分类:晶闸管控制 时间:2010-04-26 阅读:4488


























