三极管用的最多的,其实是开关电路。下面分别介绍PNP型和NPN型的三极管。先说PNP型的三极管,常用的型号有9012,8550等等。如何使用呢,如下图: FM是一个蜂鸣器,8...
分类:开关电路 时间:2015-03-02 阅读:16237
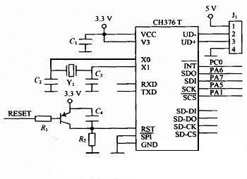
指纹识别是生物特征识别的一种,它利用指纹特征的惟一性和终身不变性对个人身份进行,具有极高的安全性和易用性。本文将指纹识别技术应用于汽车防盗系统中,并结合GSM无线...
分类:开关电路 时间:2014-10-20 阅读:3503
本例介绍的红外遥控开关,可使用电视机、影碟机、录像机等家电的遥控器控制其开与关,而不需专用配套的遥控器。该遥控开关可用于控制照明灯和排风扇等电器。 电路工作...
分类:开关电路 时间:2014-07-14 阅读:1917
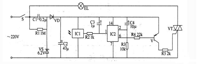
该电路可以控制220V交流电网上200W功率负载的通断。若功率仅为50W,则双向晶闸管可不接散热器。带有一定滞环的动作点约为100lx日照光。在光照较弱时光敏电阻呈高阻值,故使...
分类:开关电路 时间:2014-05-04 阅读:1884
工作原理:该装置的电路工作原理如图。该密码电子开关设计了三个开锁按钮,并在电路、误码锁和电子报警电路。只有正确地按动开锁按钮AN1、AN2、AN3才能使继电器J1励磁吸合...
分类:开关电路 时间:2014-04-29 阅读:2768
本电路介绍的是一种声、光双控节能开关,白天光纤较强,光敏管D受光导通,此时无论有无声音触发,IC的1脚为低电平,经c、d、e、f作用后,8脚为低电平,可控硅截止,灯泡不...
分类:开关电路 时间:2014-04-21 阅读:1402
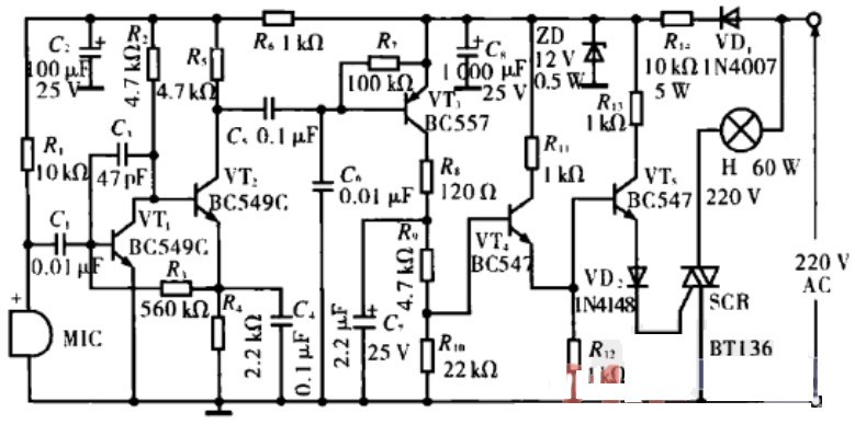
本文介绍的是一款声控式音乐同步开关电路图。本电路用电容式话筒来感测声音,并将它转换成电信号的变化,然后经由三极管VT1和VT2构成的直接耦合放大器放大后送至开关电路。...
分类:开关电路 时间:2014-03-12 阅读:1611
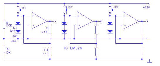
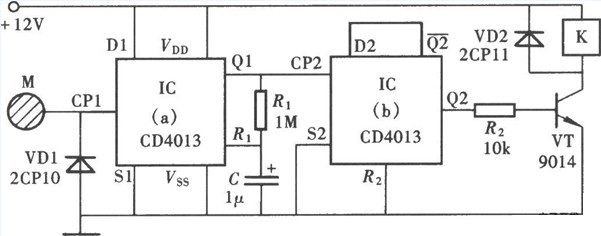
自锁互锁开关在电器上使用很广泛,一般都是机械式,缺点是:体积大,易磨损,按触力大,转换速度低。本文所介绍的电子式自锁互锁开关可以克服上述缺点。 电路中的开关...
分类:开关电路 时间:2014-03-06 阅读:2356
今天本文为大家介绍一款新颖的单电极触摸开关电路,它采用了仅有一个触摸电极的控制方式,每触摸电极,电路将控制开关(开或关)动作,如同普通的机械式开关一样,使用非常...
分类:开关电路 时间:2014-02-21 阅读:2675
本文介绍的触摸式水龙头节水开关,与普通水龙头开关比较,具有使用方便、灵敏、卫生、可靠的优点。由于该开关是完全密封的,因此在北方的冬季可以把它包裹起来,在0℃以下...
分类:开关电路 时间:2014-02-19 阅读:3342
触摸开关主要是应用触摸感应芯片原理设计的一种墙壁开关,是传统机械按键式墙壁开关的换代产品。能实现更智能化、操作更方便的触摸开关有传统开关不可比拟的优势,是目前家...
分类:开关电路 时间:2014-02-12 阅读:5554
本文所介绍的灵敏光控开关电路主要是由光敏三极管所构成的。如下电路图所示,本电路由于采用了达林顿型光敏三极管作敏感元件,所以对弱光较敏感。适用于对反射光信号的检测...
分类:开关电路 时间:2014-02-11 阅读:1552
延时节电开关是一种楼道照明灯或其它用电设备的自动延时开关装置。它采用电子器件、脉冲技术及无触点开关技术。如楼道每个单元只装一台,用三根导线连接楼道各层位的按扭开...
分类:开关电路 时间:2013-12-03 阅读:3031
下面为一款双联双控开关电路图。 这款电路图中sa1,sa2是开关,图中的开关是关着的。n线直接进灯头,你按sa1火线就连同了按sa2就断开了。
分类:开关电路 时间:2013-10-12 阅读:3658
如下图,是利用晶体三极管开关特性的简易模拟触摸形状电路。 当接通电源时,VTl-VT4均处于截止状态,继电器线圈中无电流通过,继电器常开触点断开,发光二极管V...
分类:开关电路 时间:2013-09-10 阅读:5604
电路组成 下图是声、光、触摸三控延时自熄开关的电气原理图,该电路由电源电路、信号检测转换电路、延时电路和控制电路组成。 1.电路组成 (1)电源电路。...
分类:开关电路 时间:2013-09-06 阅读:3789


























