电路工作原理:lC是RS101A型专用漏电保护开关集成电路。LED是BTS11405型频闪发光二极管,只要接通电源后就町发出闪光。市电经由C1、ZD1、VD组成的电容降压整流稳压电路,再...
分类:自动控制 时间:2015-06-26 阅读:8291
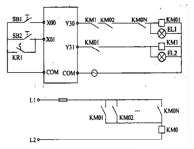
在电动机PLC控制回路的硬件设计中,要求实现硬件的联锁控制t以保证设备舶奉全.为了说明PLC控制回路的设计方法,以电动机Ml的起动为例,给出如图
分类:自动控制 时间:2015-04-13 阅读:6544
电路工作原理:该光控路灯电路由电源电路和光控电路组成,如图所示。电源电路由电源变压器T、整流二极管VDl-VD4和滤波电容器C组成。光控电路由光敏电阻器RG、电阻器R1、R2...
分类:自动控制 时间:2014-12-09 阅读:4121
采用两个半桥智能功率驱动芯片BTS 7960B组合成一个全桥驱动器,驱动直流电动机转动,使车窗上升或下降。BTS7960B是应用于电动机驱动的大电流半桥集成芯片,它带有一个P沟道...
分类:自动控制 时间:2014-11-04 阅读:5880
热带鱼缸水温自动控制器通过运用负温度系数热敏电阻器作为感温探头,通过加热气对鱼缸自动加热。本电路暂态时间取得较小,有利于温控,对各种大小鱼缸都适用。 电路工...
分类:自动控制 时间:2014-10-31 阅读:2089
该装置的电路工作原理见图。先在电水壶上用环氧树脂沾牢一只片状正温度系数的 开关型热敏电阻RQ.将RQ的两端接到LSE的①、②脚,将水壶插入电源插座CZO中,揿下电源开关S,此...
分类:自动控制 时间:2014-08-11 阅读:2071
该电路包括发生器和接受器两部分。发射器包括无稳态多谐振荡器(或称占空比发生器)、音频发生器和RF振荡器。接收器主要采用集成电路LM909. 对由IC1(555)和R1、R2、...
分类:自动控制 时间:2014-07-04 阅读:1344
图1是红外接收和电机驱动电路,在无人的时候红外接收器正常接收来自另一侧发过来的红外光束。用60mm长刚好插入红外发射管的导向管(图3)在墙壁上平行固定,高度适当,并和...
分类:自动控制 时间:2014-06-28 阅读:2442
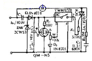
当房内空气正常时,A、B两极间的电阻很大,TWH8778的5脚为低电位,TWH8778截止,SCR关断,换气扇不工作。当房内因某些气体达到一定浓度时,A、B之间电阻减小,使5脚高电位...
分类:自动控制 时间:2014-05-29 阅读:1480
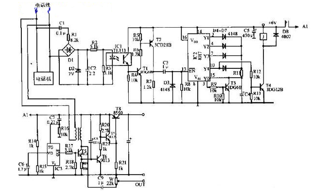
该电路具有自动应答及录音功能(需另配小型录音机或固态录音芯片),电路简单,静态电流小于20uA,接于电话的外部引线而不必打开电话机。IC1为光电耦合器;IC2(4017)为十...
分类:自动控制 时间:2014-05-26 阅读:1678
如图所示是多普勒效应和光照双控自动门插座电路(RD627) .由多普勒效应传感头、光控开关、单稳态触发器、可控硅控制电路、乐曲发声电路和交流降压整流电路等组成。当车辆...
分类:自动控制 时间:2014-05-07 阅读:1716
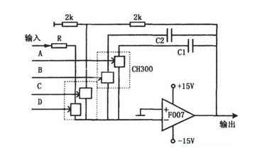
本文介绍的是一款多功能的可控积分器电路。该电路具有复零、保持和不同积分时间常数的可控积分器。其中模拟开关为CH300,运算放大器为F007.如下图所示,图中的R和C1、C2数值...
分类:自动控制 时间:2014-03-21 阅读:1547
全自动洗衣机就是将洗衣的全过程(泡浸-洗涤-漂洗-脱水)预先设定好N个程序,洗衣时选择其中一个程序,打开水龙头和启动洗衣机开关后洗衣的全过程就会自动完成,洗衣完成时...
分类:自动控制 时间:2014-01-22 阅读:3075
本文介绍的是常用摄像机拍摄的自动控制电路图。本控制器所用的元件易于购买,成本极低,容易制作是电教工作者的好帮手。如下图所示,图中是数字集成电路ICI(CD40106)中的...
分类:自动控制 时间:2014-01-14 阅读:1687
声控灯是一种声控电子照明装置,由音频放大器、选频电路、延时开启电路和可控硅电路组成。它提供了一种操作简便、灵活、抗干扰能力强,控制灵敏的声控灯,它采用人嘴发出约...
分类:自动控制 时间:2013-12-02 阅读:3036
本文将介绍的是用语言芯片ISD1016制作的用语音代替电话铃声留言控制器的原理电路图。该控制器可以存贮留言、音乐、一首歌或其他声响,以此替代单调的振铃声,简单实用。
分类:自动控制 时间:2013-11-28 阅读:1666
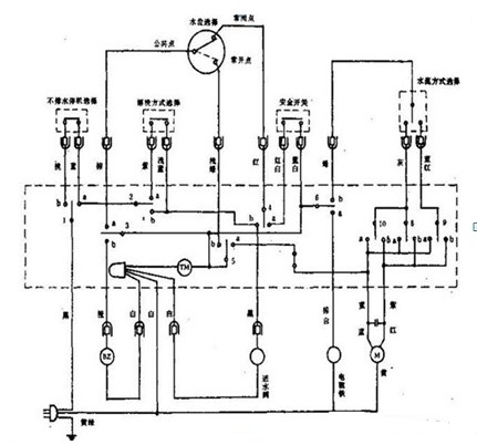
水位控制器广泛应用于工业锅炉、民用建筑用水池、水塔、水箱,以及石油化工、造纸、食品、污水处理等行业内开口或密闭储罐,地下池槽中各种液体的液位测量,被检测的介质可...
分类:自动控制 时间:2013-11-26 阅读:4847
1.1 概述 Acrel-3000 V8.0光伏发电监测系统是江苏安科瑞电器制造有限公司针对太阳能发电系统开发的软件平台,可对太阳能光伏电站里的电池阵列、汇流箱、逆变器、交直流配电柜、太阳跟踪控制系统等设备进行实时监...
分类:自动控制 时间:2011-12-22 阅读:2693


























