继电器驱动电流一般需要20-40mA或更大,线圈电阻100-200欧姆,因此要加驱动电路。那么继电器的驱动电路的原理和注意事项有哪些? 1. 晶体管用来驱动继电器,必须将晶...
分类:继电器控制 时间:2017-02-07 阅读:5617
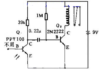
本电路在光敏晶体管和双极性晶体管之间采用电容性耦合,因而仅响应光线的间断或者快慢变化,而对云彩或日出引起的环境光线的缓慢变化没有什么影响。当出现闪光时,继电器吸...
分类:继电器控制 时间:2014-05-28 阅读:1992
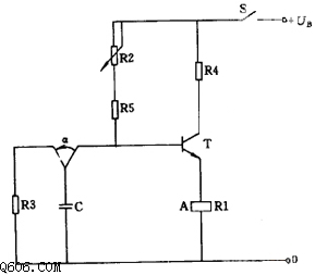
如果要想获得长时间和易调整的延迟电路,则应由晶体管来控制继电器电流,并在基极电路上接入RC环节,如图所示。如果电源电压、电容C、电流放大系数β有所要求的吸合功率均...
分类:继电器控制 时间:2014-04-16 阅读:1844
本文介绍的是一款延迟吸合继电器开关控制电路图。如下图所示,在接通电源后,时间流程开始电容C首先放电而后通过20M 从点电阻充电。
分类:继电器控制 时间:2014-02-17 阅读:2260
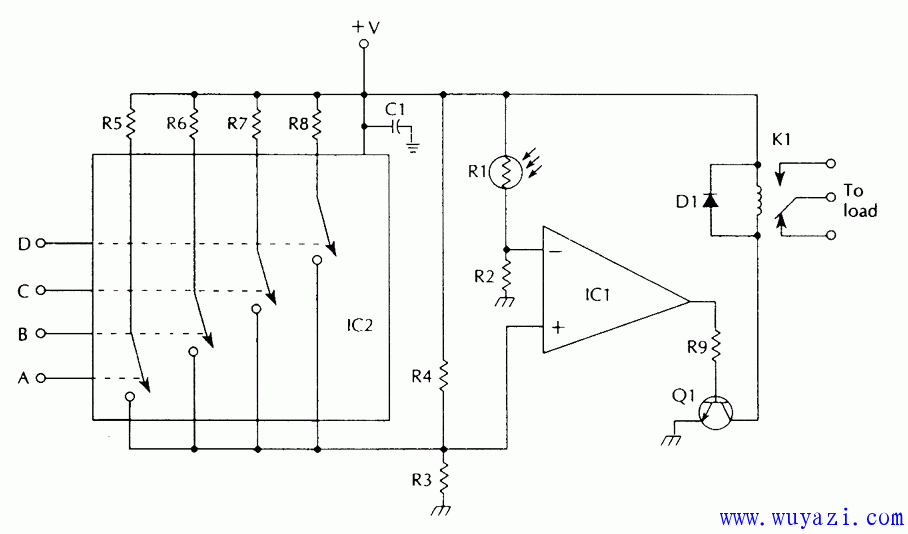
今天为大家介绍一种无电感式模拟继电器,其电路原理如下图所示。 图中,220V电源经负载RL、R1、D1~D4、ZD1,为Q4、Q3在正负半周轮流提供偏置;同时经R3、D5~D8为光电耦合器Q...
分类:继电器控制 时间:2014-02-07 阅读:2509
本文今天分享的是一款由晶体管组成的继电器延时吸合电路。如下图所示,刚接通电源时,16μF电容上电压为零,两个三极管都截止,继电器不动作。随着16μF电容的充电,过一段...
分类:继电器控制 时间:2014-01-07 阅读:2524
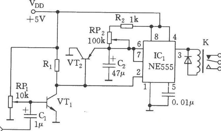
如下图所示,该电路由声音检测电路和单稳触发电路组成,执行元件为继电器.VT1完成输入音频信号的放大,当有信号来时,使555置位,K吸合。同时,VT2导通,C2上的电荷通过555...
分类:继电器控制 时间:2013-10-28 阅读:3285
如下图所示,下图是采用继电器等构成的启动电路.在电源输入端接入电阻R,R的作用有二种,其一:可防止开机时对大电容C1的冲击电流而影响电源本身;其二:使负载获电延时数秒...
分类:继电器控制 时间:2013-10-18 阅读:23186
可以构建一个非常简单的超声波接近探测器电路使用很少的外部电子元件。正如你可以看到在这里显示的电路图,接近探测器电路需要一些外部元件,很容易构造。R4(100k欧姆电位...
分类:继电器控制 时间:2013-10-17 阅读:3262
如下图是晶体管组成的继电器延时吸合电路.刚接通电源时,16μF电容上电压为零,两个三极管都截止,继电器不动作。随着16μF电容的充电,过一段时间后,其上电压达到高电平...
分类:继电器控制 时间:2013-10-16 阅读:7810
这个简单的定时电路猫:具备将0.01秒延迟到约1分钟的输出切换功能。可控硅只需几毫安便能被触发,从时序网络R1-C1去给输出继电器通电。 来源:panyueyingying
分类:继电器控制 时间:2011-09-20 阅读:4725
电路说明:不需要靠一个大的电解型定时容器,该电路可得到可预测延时为0.3毫秒到超过3分钟。相反,可用一张稳定的低泄露纸或者聚酯电容器来减小定时单结型晶体管Q1的峰间电...
分类:继电器控制 时间:2011-08-28 阅读:5623


























