本文主要对pwm脉冲宽度调制led驱动控制电路图进行了分析说明。 1、开机输入浪涌电流限制电阻; 2、为一款逐流无源功率因数校正(PPFC)电路,通过扩展交流输入市电...
分类:灯光控制 时间:2016-05-25 阅读:2349
采用PLC可编程控制器对楼梯照明进行自动化管理,是较理想化的楼梯公共照明方式。它有以下两个特点: 1、上楼或下楼只需按一下按钮,则楼梯各层照明灯可依次点亮,熄灭...
分类:灯光控制 时间:2016-05-18 阅读:3318
家居照明控制系统的智能化主要体现在两大功能模块上,一个是智能调光装置,另一个就是光照度的检测、显示及补偿装置。下面主要就这两方面来介绍智能照明系统的硬件设计,但...
分类:灯光控制 时间:2014-11-28 阅读:7267
今天为大家分享的是一款新颖的太阳能LED灯控制器电路图。这款太阳能LED灯控制器的功能主要是白天采用太阳能电池板给蓄电池充电,晚上采用两段式点灯,即天黑后点亮到深夜自...
分类:灯光控制 时间:2014-07-24 阅读:2018
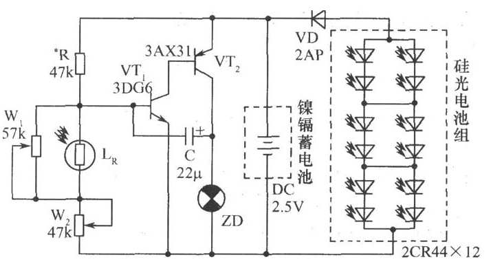
如图所示,电阻R与光电元件LR、电位器W1和W2组成分压电路。在夜晚无光照射时,LR的电阻值较高,其上面的压降较大,所以输入到晶体管VT1的基极电流较大,VT1导通,VT2也随之...
分类:灯光控制 时间:2014-06-27 阅读:1594
温控器适用于-5~120摄氏度范围内,电路如图所示。AT为SL134恒流源集成电路,它有三个引出线,使用时将它放在需要控制温度的地方,通过三条引线与电路相连。SL134的特点是随...
分类:灯光控制 时间:2014-04-30 阅读:2729
采用PLC可编程控制器对楼梯照明进行自动化管理,是较理想化的楼梯公共照明方式。它有以下两个特点: 1、上楼或下楼只需按一下按钮,则楼梯各层照明灯可依次点亮,熄灭...
分类:灯光控制 时间:2014-04-29 阅读:2521
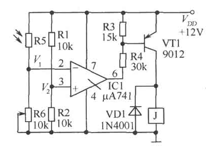
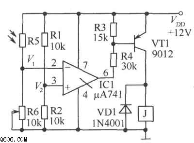
电源Vcc通过R1和R2分压,使运放同相输入端电位由于C隔直流,使RF引入直流全负反馈。所以,静态时运放输出端的电压V0=V-≈V+=+Vcc/2;C通交流,使RF引入交流部分负反馈,是电...
分类:灯光控制 时间:2014-04-17 阅读:1597
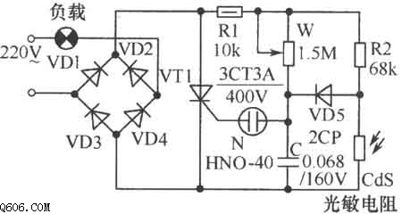
此电路能根据外界光线的强弱来自动调节灯光亮度。若外界亮度高,灯光就暗,反之外界亮度低,灯光就亮。图中由晶闸管VT1和二极管VD1~VD4组成全波相控电路,用氖管N作VT1的触...
分类:灯光控制 时间:2014-04-17 阅读:1332
这是一个光控断电遥控装置,可以用于电简的光线进行触发。电路由两部分组成:一部分是光控电路;另一部分是受控电路。其中光控部分由光电三极管VT1、电位器RP相三极管VT2组...
分类:灯光控制 时间:2014-04-16 阅读:1359
霓虹灯灯管要求很高的启动电压,需用一个漏磁变压器作启动和整流用。漏磁变压器的空载二次电压不小于15kV、容量为450V·A、电流为24mA、短路电流为30mA.这样的漏磁变压器能...
分类:灯光控制 时间:2014-04-15 阅读:1134
如图电路中为了稳定投影灯L的亮度,采用晶闸管交流自动调压电路。为此从交流桥路的一条对角线上接入晶闸管T5.其触发脉冲由单结晶体管VT4产生。晶体管VT1、VT2和光敏三极管V...
分类:灯光控制 时间:2014-04-14 阅读:1536
今天为大家分享的是一款新颖的太阳能LED灯控制器电路图。这款太阳能LED灯控制器的功能主要是白天采用太阳能电池板给蓄电池充电,晚上采用两段式点灯,即天黑后点亮到深夜自...
分类:灯光控制 时间:2014-03-17 阅读:3199
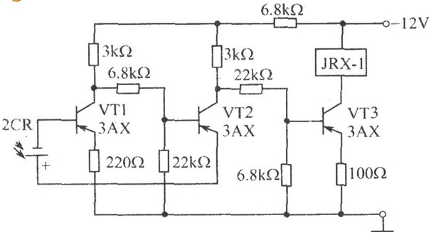
本文介绍的是一款由硅光电池构成的光控开关电路。 如下图所示,电路中VT1和VT2组成的触发器有两个稳定状态。当其中一只晶体管导通时,另一只则截止。只要改变光照强度...
分类:灯光控制 时间:2014-02-22 阅读:1846


























