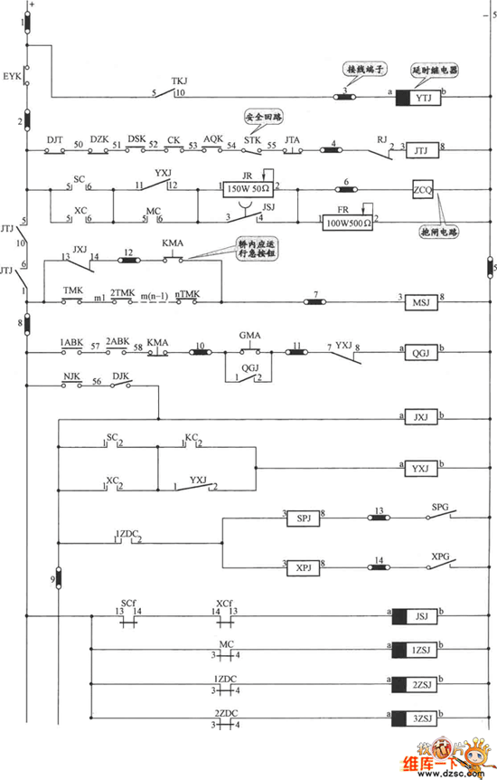
APM-81交流双速电梯按钮电路图如下图所示 欢迎转载,信息来自维库电子市场网(www.j71x6.cn) 来源:与你同行
分类:电梯控制 时间:2010-02-08 阅读:4968
APM-81电梯开门机驱动与门区电路图如下图所示 欢迎转载,信息来自维库电子市场网(www.j71x6.cn) 来源:与你同行
分类:电梯控制 时间:2010-02-08 阅读:3390
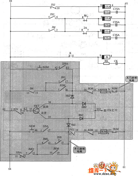
APM-81电梯开门机控制电路图如下图所示 欢迎转载,信息来自维库电子市场网(www.j71x6.cn) 来源:与你同行
分类:电梯控制 时间:2010-02-08 阅读:3931
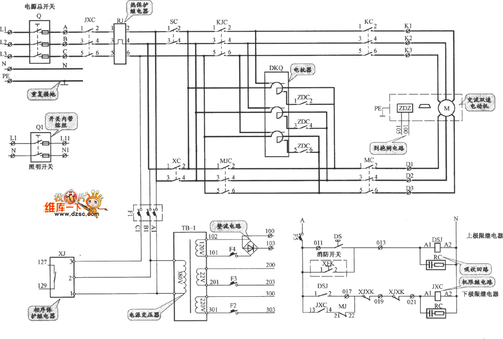
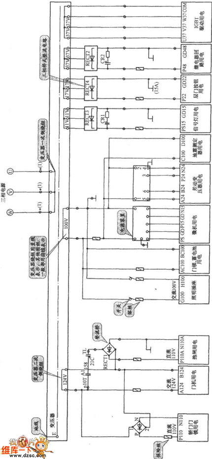
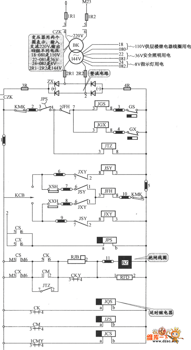
日立VFMG电梯控制电源电路图如下图所示 欢迎转载,信息来自维库电子市场网(www.j71x6.cn) 来源:与你同行
分类:电梯控制 时间:2010-02-08 阅读:3775
JKH1-771A电梯按钮电路图如下图所示 欢迎转载,信息来自维库电子市场网(www.j71x6.cn) 来源:与你同行
分类:电梯控制 时间:2010-02-05 阅读:4879
JKH1-771A电梯开门机电路图如下图所示 欢迎转载,信息来自维库电子市场网(www.j71x6.cn) 来源:与你同行
分类:电梯控制 时间:2010-02-05 阅读:2467
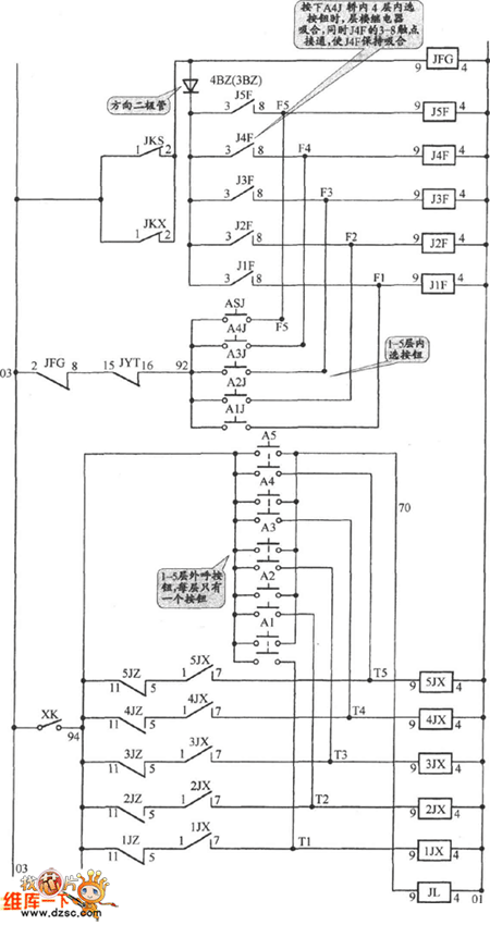
JKH1-771 A电梯楼层指示灯电路图如下图所示 欢迎转载,信息来自维库电子市场网(www.j71x6.cn) 来源:与你同行
分类:电梯控制 时间:2010-02-05 阅读:3565
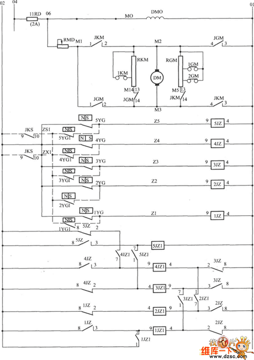
JKH1-771A电梯指示灯电路图如下图所示 欢迎转载,信息来自维库电子市场网(www.j71x6.cn) 来源:与你同行
分类:电梯控制 时间:2010-02-05 阅读:1972
JKH1-771A电梯控制电源电路图1 JKH1-771A电梯控制电源电路图2 JKH1-771A电梯控制电源电路图3 JKH1-771A电梯控制电源电路图4 欢迎转载,信息来...
分类:电梯控制 时间:2010-02-05 阅读:3001
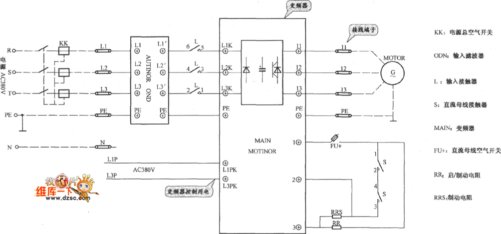
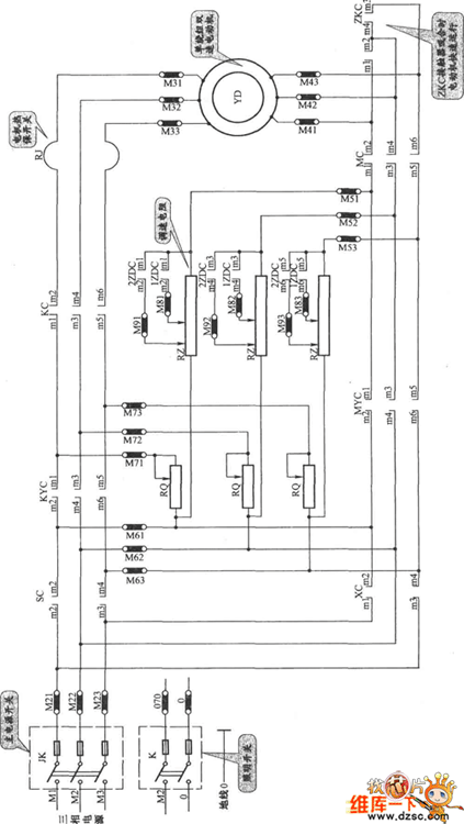
JKH1-771A电梯主电路图如下图所示 欢迎转载,信息来自维库电子市场网(www.j71x6.cn) 来源:与你同行
分类:电梯控制 时间:2010-02-05 阅读:2394
JH0一751半自动货梯控制电路如下图所示: 欢迎转载,信息来自维库电子市场网(www.j71x6.cn) 来源:与你同行
分类:电梯控制 时间:2010-01-28 阅读:4432


























