基于霍尔元件的可控硅过流过载保护电路图
出处:xwj 发布于:2011-04-20 00:00:00 | 4548 次阅读
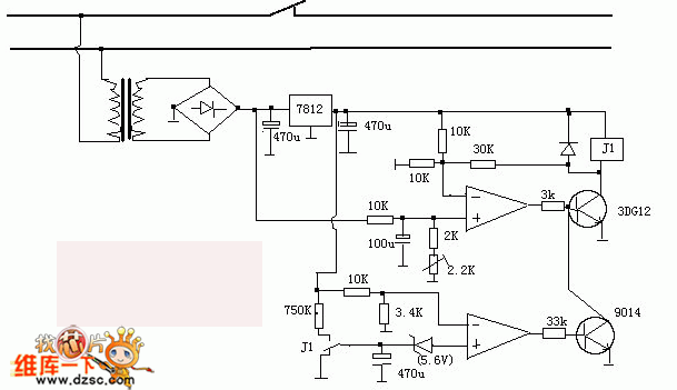
下面介绍一种采用霍耳元件作为传感器的可控硅过流过载保护电路,此外它还具有过热保护功能和声光报警功能。电路原理图见下。

基于霍尔元件的可控硅过流过载保护电路
它的基本工作原理是这样的,由两个U形磁体与两个三端型集成霍耳元件组成一个带有一定间隙的闭合磁路,作为电流的检测系统,通过负载及可控硅电流的导线从磁路平面的中心穿过,在磁路中产生一个交变磁场,见图2。当通过可控硅的电流值在额定范围之内时,它在磁路中所产生的磁场强度较小,低于霍耳元件的动作磁场强度,保护电路不动作。而一旦发生过电流情况时,由于磁场强度大增,将超过霍耳元件的动作强度,霍耳元件将被触发翻转,同时也触发保护电路,使其关闭主电路可控硅的触发电路,并使可控硅在过零之后关断。

电路中IC1和IC2为霍耳集成电路ULN3020,在平时正常工作时它们的输出端役脚始终都为低电平,D2、D3截止,可控硅T1也处于关断状态,发光管L4不发光,正电源通过R6、L1、IC4、R5、VT到地形成一个回路,如果控制开关三极管VT的基极为高电平,它将处于导通状态,从而使过零触发器IC4开通,触发双向硅T3导通,负载RL得电工作,它们的电流将在磁路中产生一个交变磁场,当磁场强度的峰值没有达到两个霍耳元件的开通磁场强度时,IC1和IC2都保持原态不变。而一旦由于负载不正常,或其他原因导致电流异常增大时,IC1和IC2中有一只将处于短时高电平输出状态,从而通过D2或D3触发可控硅T1导通,D5导通,使过零触发器IC4关断,而可控硅T3将在电源过零后关断。与此同时,发光管L4点亮,D4也导通,蜂鸣器BU发出报警声,可控硅T1能够一直保持导通状态,直到关闭控制电路的电源为止。
在这个电路中还有一套可控硅过热保护电路,其中IC3为一只TO-220方式封装的型号为67L070二脚温度传感开关元件,它的动作温度为70℃,在平时常温状态下为常闭状态。它被安装在可控硅T3的散热器上。当可控硅由于过负荷或其他原因而使功耗大大增加,一旦散热器的温度达到70℃时,IC3将从常闭转为常开,这时T2将通过R10触发导通,D6也导通,使IC4断电截止,同时也使可控硅T3截止。与此同时,D7也导通,发光管L3被点亮,D6导通,蜂鸣器BU工作,发出报警声音。可控硅T2也能够一直保持导通状态。直到关闭控制电源为止。
使霍耳元件动作的电流大小可以通过调整两个U形磁心之间的间隔来决定,对于本电路所使用的40A可控硅来说,应将通过它的电流限制在小于40A这里所使用的磁心截面为5mm*4mm,两磁心之间的间隔约为2.0mm左右,但由于不同磁性材料导磁率存在的差异以及霍耳元件的参数差异,具体间隔可能略有不同,实际保护电流的大小通过实测决定,并用胶封固在印刷板上。对两只霍耳元件安装的要求是,对正磁民截面,印字全部朝向一个方向。只有这样才能使两只霍耳元件分别检测交流电流的正负半周。
为了作进一步的保护,在主电路还设有一个32A的空气开关,它的作用也是保护可控硅,同时也作为主电路的控制开关使用。
该保护电路的不足之处是当负载及电路发生严重短路问题时,对可控硅的保护作用略显不足,因为也曾经出现过可控硅被烧短路的情况,这主要是由于在保护电路动作之后,可控硅只能在电源过零之后才能自然关断,而空气开关的分断速度也是有限的。所以在必要时应采用快熔等其他措施来进行的短路保护。
来源:zhenglili
上一篇:简易电视机稳压保护电路图
下一篇:锂离子电池保护电路原理介绍
版权与免责声明
凡本网注明“出处:维库电子市场网”的所有作品,版权均属于维库电子市场网,转载请必须注明维库电子市场网,//www.j71x6.cn,违反者本网将追究相关法律责任。
本网转载并注明自其它出处的作品,目的在于传递更多信息,并不代表本网赞同其观点或证实其内容的真实性,不承担此类作品侵权行为的直接责任及连带责任。其他媒体、网站或个人从本网转载时,必须保留本网注明的作品出处,并自负版权等法律责任。
如涉及作品内容、版权等问题,请在作品发表之日起一周内与本网联系,否则视为放弃相关权利。











