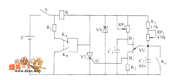
一款由继电器构成的启动电路图
出处:21IC中国电子网 发布于:2013-10-18 09:02:46 | 23188 次阅读
如下图所示,下图是采用等构成的启动电路.在输入端接入R,R的作用有二种,其一:可防止开机时对C1的冲击电流而影响电源本身;其二:使负载获电延时数秒。在此过程中,因输出端的继电器J达不到12的吸合电压,合R接入电路起限流降压的作用,随着电源对C1、C3的充电完毕,继电器J接点吸合短路了R,这时,电源才进入正常的工作状态。

上一篇:简单的超声波接近探测器电路图
下一篇:一款声控继电器电路图
版权与免责声明
凡本网注明“出处:维库电子市场网”的所有作品,版权均属于维库电子市场网,转载请必须注明维库电子市场网,//www.j71x6.cn,违反者本网将追究相关法律责任。
本网转载并注明自其它出处的作品,目的在于传递更多信息,并不代表本网赞同其观点或证实其内容的真实性,不承担此类作品侵权行为的直接责任及连带责任。其他媒体、网站或个人从本网转载时,必须保留本网注明的作品出处,并自负版权等法律责任。
如涉及作品内容、版权等问题,请在作品发表之日起一周内与本网联系,否则视为放弃相关权利。











