新颖的电子式自锁互锁开关电路图
出处:实用电子制作 发布于:2014-03-06 09:50:03 | 2356 次阅读
自锁互锁开关在电器上使用很广泛,一般都是机械式,缺点是:体积大,易磨损,按触力大,转换速度低。本文所介绍的电子式自锁互锁开关可以克服上述缺点。
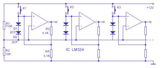
电路中的开关的器件为四运放LM324,经巧妙设计,使每个运放有两重功能,电压比较器和施密特触发器。电压适用范围宽,档位可任意设计,如果加一档空档,可作为总复位,与数字电路配合时,可用同一电源,开关的输入输出电平符合数字电路的接口电平,由于运放的输入阻抗高,开关的输入电流小,可以用轻触开关。导电橡胶。薄膜开关作按键,或光、电、磁等转换信号驱动,可用。。等。
如下图所示,当接通电源后,R1、R2分压,为各运放反相端提供高电位,使各运放输出低电位。接通任一键,对应运放的同相端获得高电位,高于反相端1.4V(压降),输出变为高断开关按键。因有R3、R4分压的反馈,同相端电位仍高于反相端,输出端维持高电位。当另一个键接通时,电路重复上述过程,同时,通过两只二极管D1.D2使所有运放的反相端电位高于R3.R4分压形成的同相端电位,所以输出端由高变低。总之,每按键,只有该运放输出高位,其余的都是低,这就是电子式开关的自锁互锁功能。

上一篇:一款新颖的单电极触摸开关电路
下一篇:声控式音乐同步开关电路图
版权与免责声明
凡本网注明“出处:维库电子市场网”的所有作品,版权均属于维库电子市场网,转载请必须注明维库电子市场网,//www.j71x6.cn,违反者本网将追究相关法律责任。
本网转载并注明自其它出处的作品,目的在于传递更多信息,并不代表本网赞同其观点或证实其内容的真实性,不承担此类作品侵权行为的直接责任及连带责任。其他媒体、网站或个人从本网转载时,必须保留本网注明的作品出处,并自负版权等法律责任。
如涉及作品内容、版权等问题,请在作品发表之日起一周内与本网联系,否则视为放弃相关权利。











