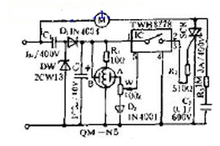
换气扇的控制器电路图
出处:电路图之家 发布于:2014-05-29 10:00:16 | 1480 次阅读
当房内空气正常时,A、B两极间的很大,TWH8778的5脚为低电位,TWH8778截止,SCR关断,换气扇不工作。当房内因某些气体达到一定浓度时,A、B之间电阻减小,使5脚高电位,TWH8778导通,SCR被触发导通,换气扇工作,灵敏度由W调节。

上一篇:具有自动录音功能的电话接口电路图
下一篇:红外线自动门控制器制作电路图
版权与免责声明
凡本网注明“出处:维库电子市场网”的所有作品,版权均属于维库电子市场网,转载请必须注明维库电子市场网,//www.j71x6.cn,违反者本网将追究相关法律责任。
本网转载并注明自其它出处的作品,目的在于传递更多信息,并不代表本网赞同其观点或证实其内容的真实性,不承担此类作品侵权行为的直接责任及连带责任。其他媒体、网站或个人从本网转载时,必须保留本网注明的作品出处,并自负版权等法律责任。
如涉及作品内容、版权等问题,请在作品发表之日起一周内与本网联系,否则视为放弃相关权利。









