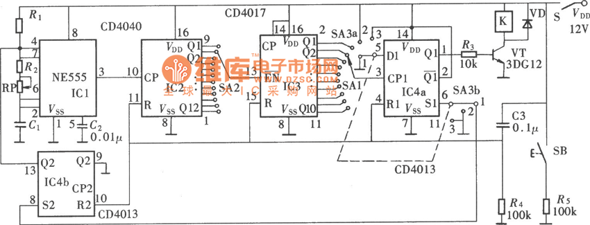
多功能可调式通用时间继电器(NE555、CD4013)电路图
该电路的多功能主要是指它可进行“延时吸合”、“延时释放”、“延时循环”三种工作方式的相互转换。所谓延时吸合是指该继电器在开机预置后,继电器不吸合。只有当到达预置...
分类:继电器控制 时间:2009-04-16 阅读:3186
图1是由SN7490等构成的计数器电路,是对A端加的脉冲进行累积计数的电路,一般多用于输入脉冲的计数。S4一S6为复位开关,用于计数的设定。计数到设定的计数时负载电路动作,...
分类:继电器控制 时间:2009-03-14 阅读:2966
图1是由D51602等构成的记录微机运行时间的计数器。这种电路用于记录控制微机自身的运行时间,D51602片内有两个32位计数器,以秒为单位对经历的时间进行计时。一个是电池供...
分类:继电器控制 时间:2009-03-14 阅读:1876
图a为NPN型晶体管利用+Ec电源控制的电子继电器。图b为NPN型晶体管接地控制电路。 图c为PNP型晶体管利用-Ec控制的电子继电器。图d是有自生偏压的电子继电器。
分类:继电器控制 时间:2008-02-06 阅读:1571
分类:继电器控制 时间:2008-02-06 阅读:1478
分类:继电器控制 时间:2008-02-06 阅读:1635
分类:继电器控制 时间:2008-02-05 阅读:1595

























